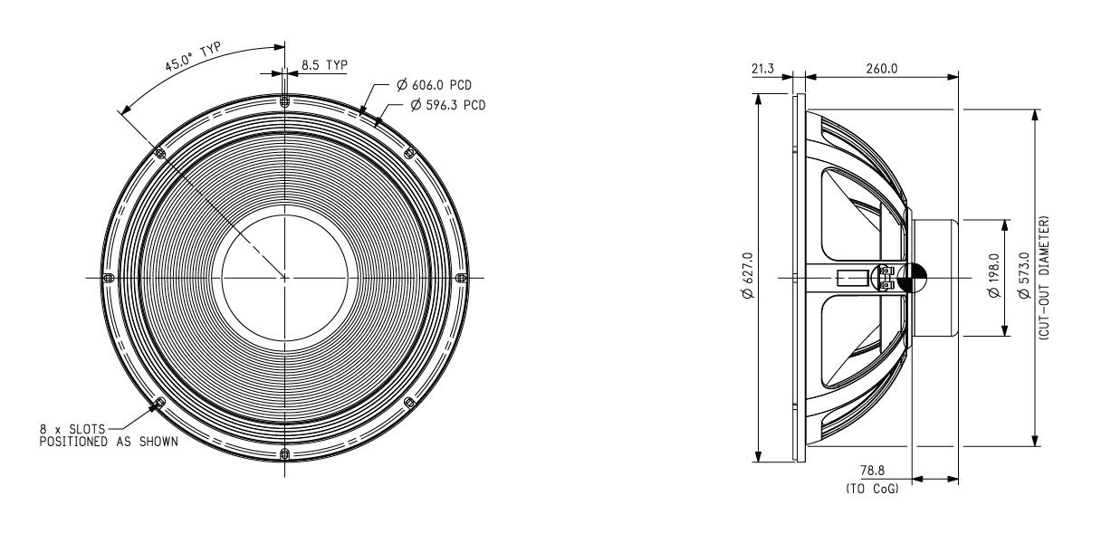
TSQ2460
24-inch cast aluminium chassis neodymium magnet low frequency loudspeaker


- Advanced temperature control using 3-channel tuned venting system provides highly efficient cooling across the frequency band
- Voice coil typically operates at up to 80°C lower temperature than other leading drivers in this class
- Polysiloxane laminated double suspension provides much greater stability and improved cone displacement symmetry
- Lead-out wires precision woven into suspension minimises excess motion and reduces fatigue
- Double-sided, weatherproof cone coating enhances durability
