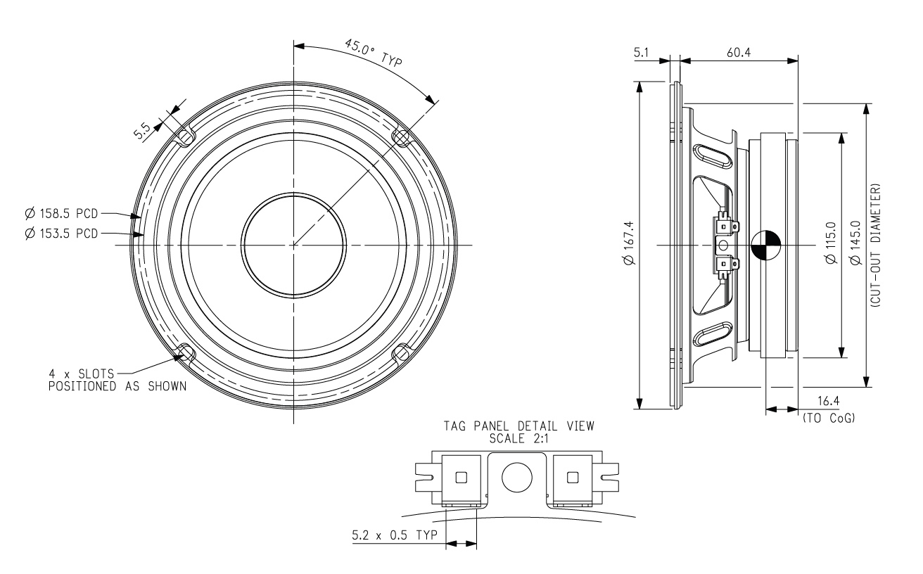
Truvox 0615
6.5-inch pressed steel chassis, ferrite magnet mid/bass driver


- Lightest weight in product class
- Excellent drop-in replacement/upgrade model for 6in mid/bass applications
- FEA optimised magnet assembly
- Double roll surround
- Robust pressed steel chassis with front and rear mounting gaskets
