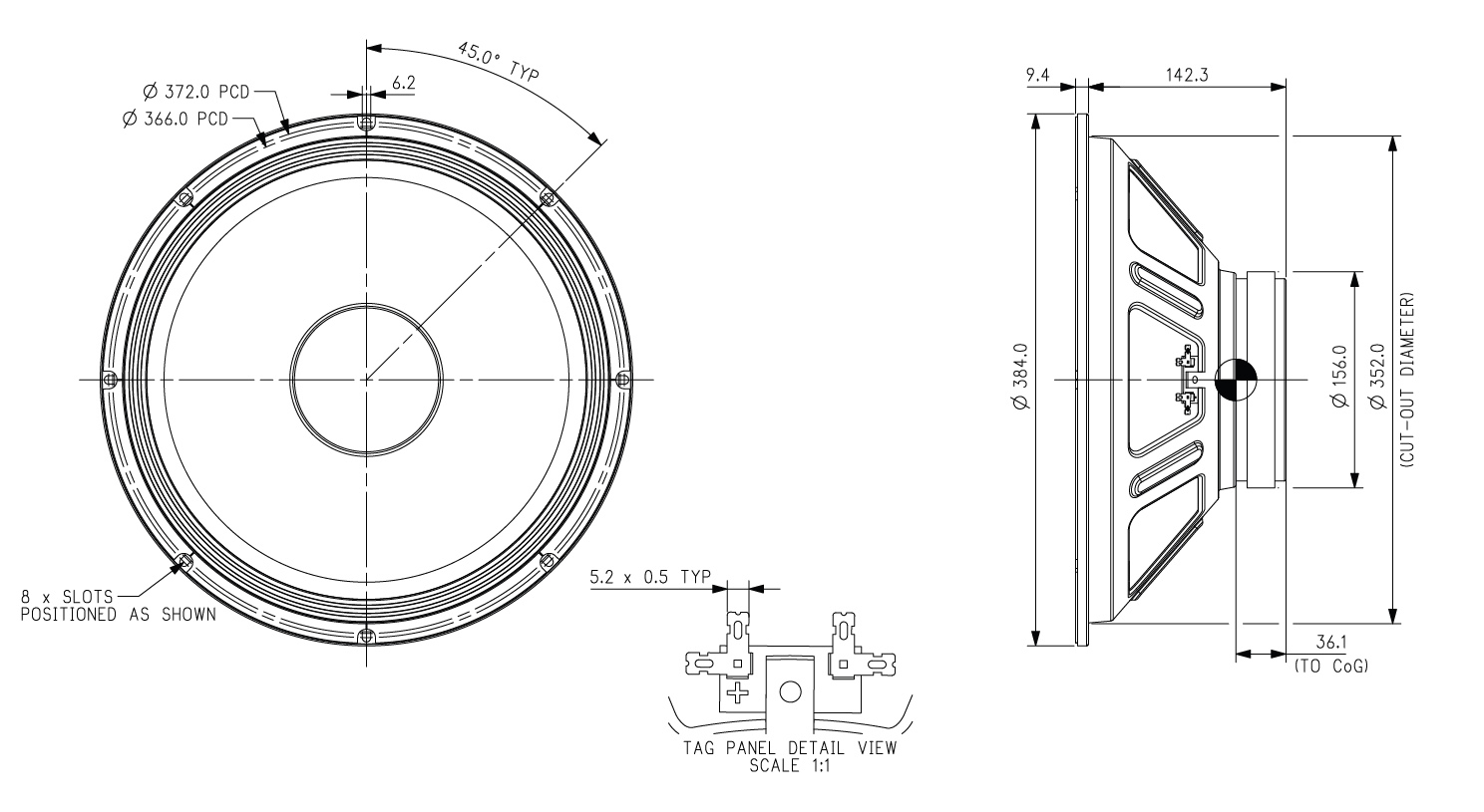
Truvox 1525
15-inch pressed steel chassis, ferrite magnet mid/bass driver


- Excellent drop-in replacement/upgrade model for 15in mid/bass applications
- FEA optimised magnet assembly
- Triple roll surround for superior performance stability
- Glass fibre reinforced cone for added durability
- Robust pressed steel chassis with front and rear mounting gaskets
